鐵碳相圖基礎篇
Fe-C合金相圖實際上是Fe-Fe3C相圖,鐵碳合金的基本組元也應該是純鐵和Fe3C。
鐵碳合金相圖是研究鐵碳合金的工具,是研究碳鋼和鑄鐵成分、溫度、組織和性能之間關系的理論基礎,也是制定各種熱加工工藝的依據。

1、Fe-C相圖中重要的點

2、Fe-C相圖中重要的線

3、Fe-C合金平衡結晶過程

Fe-Fe3C相圖中的相:


Ⅳ、過共析鋼(0.77%<C%<2.11%)
Ⅴ、共晶白口鐵(C%=4.3%)

Ⅵ、亞共晶白口鑄鐵(2.11%<C%<4.3%)
Ⅶ、過共晶白口鑄鐵 (C%>4.3%)

是不是已經凌亂了,不要急,咱們再從下面這個角度繼續推演這個過程:
鐵碳相圖可視篇
鐵碳相圖中的相有:
鐵素體:碳溶解于α-Fe中形成的固溶體,用α 或 F 表示;
高溫鐵素體(δ-鐵素體) :由于δ-Fe是高溫相,因此碳溶解于δ-Fe中形成的固溶體也稱為高溫鐵素體,用δ 表示
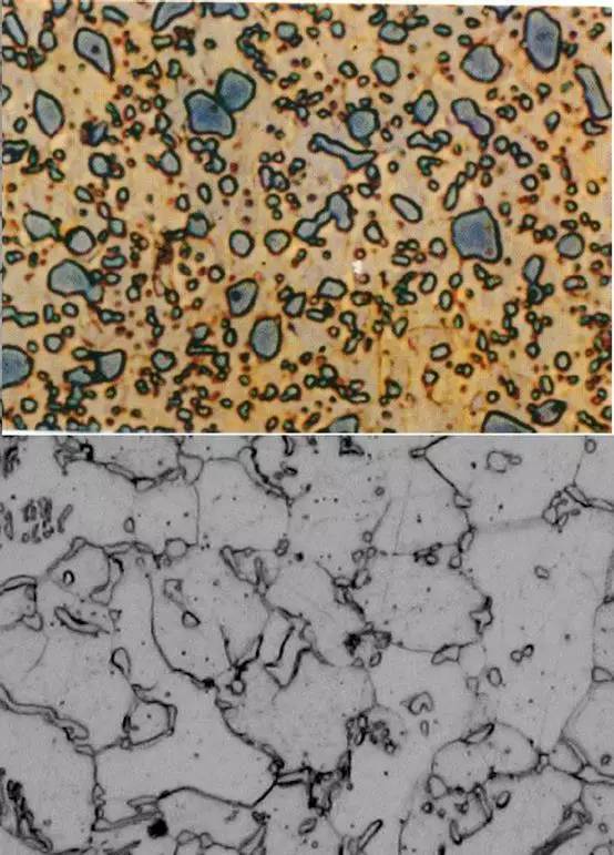
奧氏體:碳溶解于g-Fe中形成的固溶體,用g 或A 表示
滲碳體:鐵和碳形成的化合物,含碳量為6.69%,用Fe3C或Cm表示
鐵碳相圖中的組織:
珠光體:共析轉變的產物,是a 與Fe3C的機械混合物,用P表示。
萊氏體:共晶轉變的產物是奧氏體與滲碳體的機械混合物,用符號Ld 表示。
低溫萊氏體:這種由P與Fe3C組成的共晶體稱,用Le’表示
此外還有Fe3CⅠ、Fe3C Ⅱ、Fe3CⅢ以及Fe3C(共析滲碳體)

組織及相組成計算

接下來讓我們們看一下含碳量不同的液相的析晶過程:
C%很低

亞共析

共析

過共析

亞共晶

共晶

過共晶

鐵碳相圖升華篇
奧氏體:碳與合金元素溶解在γ-Fe中的固溶體,仍保持γ-Fe的面心立方晶格
特征:奧氏體塑性很好,強度較低,具有一定韌性,不具有鐵磁性

鐵素體:碳與合金元素溶解在a-Fe中的固溶體,具有體心立方晶格,溶碳能力極差;
特征:具有良好的韌性和塑性;呈明亮的多邊形晶粒組織;

馬氏體:碳溶于α-Fe的過飽和的固溶體,體心正方結構;
常見的馬氏體形態:板條、片狀;
板條馬氏體:在低、中碳鋼及不銹鋼中形成,由許多成群的、相互平行排列的板條所組成的板條束。空間形狀是扁條狀的,一個奧氏體晶粒可轉變成幾個板條束(通常3到5個);

片狀馬氏體(針狀馬氏體):常見于高、中碳鋼及高Ni的Fe-Ni合金中;當最大尺寸的馬氏體片小到光學顯微鏡無法分辨時,便稱為隱晶馬氏體。在生產中正常淬火得到的馬氏體,一般都是隱晶馬氏體。

回火馬氏體:低溫(150~250oC)回火產生的過飽和程度較低的馬氏體和極細的碳化物共同組成的組織。
這種組織極易受腐蝕,光學顯微鏡下呈暗黑色針狀組織(保持淬火馬氏體位向),與下貝氏體很相似,只有在高倍電子顯微鏡下才能看到極細小的碳化物質點。

滲碳體:碳與鐵形成的一種化合物Fe3C;
特征:含碳量為6.67%,具有復雜的斜方晶體結構;硬度很高,脆性極大,韌性、塑性幾乎為零;

珠光體:鐵碳合金中共析反應所形成的鐵素體與滲碳體組成的片層相間的機械混合物;
特征:呈現珍珠般的光澤;力學性能介于鐵素體與滲碳體之間,強度較高,硬度適中,塑性和韌性較好;

片狀珠光體:鐵素體和滲碳體以薄層形式,交替重疊形成的混合物;
根據珠光體片間距的大小不同可以分為:
珠光體(片間距450~150nm,形成溫度范圍A1~650℃,在光學顯微鏡下能明顯分辨出來)
索氏體(片間距150~80nm,形成溫度范圍650~600℃,只有高倍光學顯微鏡下才分辨出來)
屈氏體(片間距80~30nm,形成溫度范圍600~550℃,只能用電子顯微鏡才能分辨出來)

粒狀珠光體:由鐵素體和粒狀碳化物組成。它是經球化退火或馬氏體在650℃~A1溫度范圍內回火形成。
特征:碳化物成顆粒狀分布在鐵素體上。

上貝氏體:過冷奧氏體在中溫(約350~550℃)的相變產物,由過飽和針狀鐵素體和滲碳體形成的混合物,滲碳體在鐵素體針間;
特征:典型上貝氏體呈羽毛狀,晶界為對稱軸,脆性,硬度較高;

下貝氏體:過冷奧氏體在350℃~Ms的轉變產物。由過飽和針狀鐵素體和滲碳體形成的混合物,但滲碳體在鐵素體針內;
特征:呈黑色針狀或竹葉狀;

馬氏體+下貝氏體+屈氏體
粒狀貝氏體:過冷奧氏體在貝氏體轉變溫度區的最上部的轉變產物。剛形成時是由條狀鐵素體合并而成的塊狀鐵素體和小島狀富碳奧氏體組成,富碳奧氏體在隨后的冷卻過程中,可能全部保留成為殘余奧氏體;也可能部分或全部分解為鐵素體和滲碳體的混合物(珠光體或貝氏體);最可能部分轉變為馬氏體,部分保留下來而形成兩相混合物,稱為M-A組織。
特征:大塊狀或條狀的鐵素體內分布著眾多小島的復相組織。

無碳化物貝氏體:板條狀鐵素體單相組成的組織,也稱為鐵素體貝氏體;形成溫度在貝氏體轉變溫度區的最上部。
特征:無碳化物貝氏體一般出現在低碳鋼中,在硅、鋁含量高的鋼中也容易形成。

魏氏組織:在奧氏體晶粒較粗大,冷卻速度適宜時,鋼中的先共析相以針片狀形態與片狀珠光體混合存在的復相組織。
特征:晶粒粗大,形態有片狀、羽毛狀或三角形

回火屈氏體:碳化物和a-相的混合物。
特征:它由馬氏體在350~500℃時中溫回火形成。其組織特征是鐵素體基體內分布著極細小的粒狀碳化物,針狀形態已逐漸消失,但仍隱約可見,碳化物在光學顯微鏡下不能分辨,僅觀察到暗黑的組織,在電鏡下才能清晰分辨兩相,可看出碳化物顆粒已明顯長大。

回火索氏體:鐵素體為基體,基體上分布著均勻碳化物顆粒。
特征:它由馬氏體在500~650℃時高溫回火形成。其組織特征是由等軸狀鐵素體和細粒狀碳化物構成的復相組織,馬氏體片的痕跡已消失,滲碳體的外形已較清晰,但在光鏡下也難分辨,在電鏡下可看到的滲碳體顆粒較大。

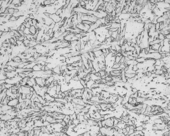
萊氏體:奧氏體與滲碳體的共晶混合物。呈樹枝狀的奧氏體分布在滲碳體的基體上。

End
綜合資料:材料人考學(ID:cailiaorencollege)、新材料在線
評論處大家可以補充文章解釋不對或欠缺的部分,這樣下一個看到的人會學到更多,你知道的正是大家需要的。。。
(本平臺"常州精密鋼管博客網"的部分圖文來自網絡轉載,轉載目的在于傳遞更多技術信息。我們尊重原創,版權歸原作者所有,若未能找到作者和出處望請諒解,敬請聯系主編微信號:steel_tube,進行刪除或付稿費,多謝!)

