碳鋼熱處理后的晶體組織
一、概述
碳鋼經退火、正火可得到平衡或接近平衡組織,經淬火得到的是非平衡組織。因此,研究熱處理后的組織時,不僅要參考鐵碳相圖,而且更主要的是參考鋼的等溫轉變曲線(C曲線)。
鐵碳相圖能說明慢冷時合金的結晶過程和室溫下的組織以及相的相對量,C曲線則能說明一定成分的鋼在不同冷卻條件下所得到的組織。C曲線適用于等溫冷卻條件;而CCT曲線(奧氏體連續冷卻曲線)適用于連續冷卻條件。在一定的程度上可用C曲線,也能夠估計連續冷卻時的組織變化。
1、共析鋼等溫冷卻時的顯微組織
共析鋼過冷奧氏體在不同溫度等溫轉變的組織及性能列于表1中。

2、共析鋼連續冷卻時的顯微組織
為了簡便起見,不用CCT曲線,而用C曲線(圖1)來分析。例如共析鋼奧氏體,在慢冷時(相當于爐冷,見圖1中的υ1)應得到100%的珠光體;當冷卻速度增大到υ2時(相當于空冷),得到的是較細的珠光體,即索氏體或屈氏體;當冷卻速度增大到υ3時(相當于油冷),得到的為屈氏體和馬氏體;當冷卻速度增大至υ4、υ5(相當于水冷),很大的過冷度使奧氏體驟冷到馬氏體轉變開始點(Ms)后,瞬時轉變成馬氏體,其中與C曲線鼻尖相切的冷卻速度(υ4)稱為淬火的臨界冷卻速度。

圖1

圖2
3、亞共析鋼和過共析鋼連續冷卻時的顯微組織
亞共析鋼的C曲線與共析鋼相比,只是在其上部多了一條鐵素體先析出線,如圖2所示。
當奧氏體緩慢冷卻時(相當于爐冷,如圖2中υ1),轉變產物接近平衡組織,即珠光體和鐵素體。隨著冷卻速度的增大,即υ3>υ2>υ1時,奧氏體的過冷度逐漸增大,析出的鐵素體越來越少,而珠光體的量逐漸增加,組織變得更細,此時析出的少量鐵素體多分布在晶粒的邊界上。
因此,v1的組織為鐵素體+珠光體;v2的組織為鐵素體+索氏體;v3的組織為鐵素體+屈氏體。
當冷卻速度為v4時,析出很少量的網狀鐵素體和屈氏體(有時可見到少量貝氏體),奧氏體則主要轉變為馬氏體和屈氏體(如圖3);當冷卻速度v5超過臨界冷卻速度時,鋼全部轉變為馬氏體組織(如圖6,圖7)。
過共析鋼的轉變與亞共析鋼相似,不同之處是后者先析出的是鐵素體,而前者先析出的是滲碳體。
4、各組織的顯微特征
(1)索氏體(s):是鐵素體與滲碳體的機械混合物。其片層比珠光體更細密,在高倍(700倍以上)顯微放大時才能分辨。
(2)托氏體(T) 也是鐵素體與滲碳體的機械混合物,片層比索氏體還細密,在一般光學顯微鏡下也無法分辨,只能看到如墨菊狀的黑色形態。當其少量析出時,沿晶界分布,呈黑色網狀,包圍著馬氏體;當析出量較多時,呈大塊黑色團狀,只有在電子顯微鏡下才能分辨其中的片層(見圖3);

圖3 托氏體+馬氏體

圖4 上貝氏體+馬氏體
(3)貝氏體(B) 為奧氏體的中溫轉變產物,它也是鐵素體與滲碳體的兩相混合物。在顯微形態上,主要有三種形態:
A、上貝氏體是由成束平行排列的條狀鐵素體和條間斷續分布的滲碳體所組成的非層狀組織。當轉變量不多時,在光學顯微鏡下為與束的鐵素體條向奧氏體晶內伸展,具有羽毛狀特征。在電鏡下,鐵素體以幾度到十幾度的小位向差相互平行,滲碳體則沿條的長軸方向排列成行,如圖4。
B、下貝氏體是在片狀鐵素體內部沉淀有碳化物的兩相混合物組織。它比淬火馬氏體易受浸蝕,在顯微鏡下呈黑色針狀(如圖5)。在電鏡下可以見到,在片狀鐵素體基體中分布有很細的碳化物片,它們大致與鐵素體片的長軸成55~60°的角度。
C、粒狀貝氏體是最近十幾年才被確認的組織。在低、中碳合金鋼中,特別是連續冷卻時(如正火、熱軋空冷或焊接熱影響區)往往容易出現,在等溫冷卻時也可能形成。它的形成溫度范圍大致在上貝氏體轉變溫度區的上部,由鐵素體和它所包圍的小島狀組織所組成。
(4)馬氏體(M):是碳在a-Fe中的過飽和固溶體。馬氏體的形態按含碳量主要分兩種,即板條狀和針狀(如圖6、圖7所示)

圖5 下貝氏體

圖6 回火板條馬氏體
A、板條狀馬氏體一般為低碳鋼或低碳合金鋼的淬火組織。其組織形態是由尺寸大致相同的細馬氏體條定向平行排列組成馬氏體束或馬氏體領域。在馬氏體束之間位向差較大,一個奧氏體晶粒內可形成幾個不同的馬氏體領域。板條馬氏體具有較低的硬度和較好的韌性。
B、針狀馬氏體是碳量較高的鋼淬火后得到的組織。在光學顯微鏡下,它呈竹葉狀或針狀,針與針之間成一定的角度。最先形成的馬氏體較粗大,往往橫穿整個奧氏體晶粒,將奧氏體晶粒加以分割,使以后形成的馬氏體的大小受到限制。因此,針狀馬氏體的大小不一。同時有些馬氏體有一條中脊線,并在馬氏體周圍有殘留奧氏體。針狀馬氏體的硬度高而韌性差。
圖7 針狀馬氏體+殘余奧氏體

圖8 馬氏體+粒狀滲碳體
(5)殘余奧氏體(A殘) 是含碳量大于0.5%的奧氏體淬火時被保留到室溫不轉變的那部分奧氏體。它不易受硝酸酒精溶液的浸蝕,在顯微鏡下呈白亮色,分布在馬氏體之間,無固定形態。在圖8表示含碳1.2%的碳鋼正常淬火(780℃加熱),其組織為馬氏體+粒狀滲碳體+少量殘余奧氏體。
(6)鋼的回火組織與性能
A、回火馬氏體。是低溫回火(150~250℃)組織。它保留了原馬氏體形態特征。針狀馬氏體回火析出了極細的碳化物,容易受到浸蝕,在顯微鏡下呈黑色針狀。體溫回火后馬氏體針變黑,而殘余奧氏體不變仍呈白亮色。低溫回火后可以部分消除淬火鋼的內應力,增加韌性,同時仍能保持鋼的高硬度。
B、回火屈氏體。是中溫回火(350~500℃)組織。回火屈氏體是鐵素體與粒狀滲碳體組成的極細混合物。鐵素體基體基本上保持了原馬氏體的形態(條狀或針狀),第二相對滲碳體則析出在其中,呈極細顆粒狀,用光學顯微鏡極難分辨(如圖9所示)。中溫回火后有很好的彈性和一定的韌性。

圖9 回火托氏體

圖10 回火索氏體
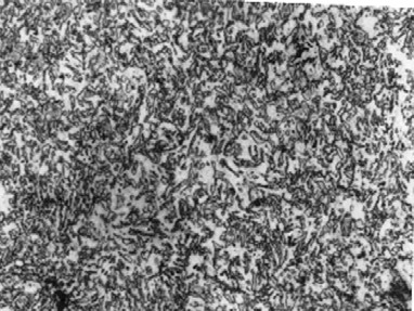
C、回火索氏體:是高溫回火(500~650℃)組織。回火索氏體是鐵素體與較粗的粒狀滲碳體所組成的機械混合物。碳鋼回火索氏體中的鐵素體已經通過再結晶,呈等軸細晶粒狀。經充分回火的索氏體已沒有針的形態。在大于500倍的光鏡下,可以看到滲碳體微粒(如圖10所示)。回火索氏體具有良好的綜合機械性能。
應當指出,回火屈氏體、回火索氏體是淬火馬氏體回火時的產物,它們的滲碳體是顆粒狀的,且均勻地分布在鐵素體基體上;而淬火索氏體和淬屈氏體是奧氏體過冷時直接形成的,其滲碳體是呈片狀。回火組織較淬火組織在相同硬度下具有較高的塑性與韌性。
(本平臺"常州精密鋼管博客網"的部分圖文來自網絡轉載,轉載目的在于傳遞更多技術信息。我們尊重原創,版權歸原作者所有,若未能找到作者和出處望請諒解,敬請聯系主編微信號:steel_tube,進行刪除或付稿費,多謝!)

