某軸承用戶反映有一套特大型雙列調心滾子軸承軸承在使用過程中發現外圈滾到出現早期失效,該套軸承圈用于水泥立磨輥,工作環境較差。該型號材料為GCr15SiMn鋼,其加工工藝過程為:φ300mm原材料進廠超聲波探傷→下料段→鍛造成形→球化退火→車加工→熱處理→探傷→磨削加工→探傷→裝配入庫。現筆者對其進行理化檢驗分析,找出失效原因。
1.理化檢驗
(1)宏觀檢驗
外圈經氣割取樣,滾道面整體有摩擦磨損現象,局部區域有不規則孔洞,其形貌如圖1所示,除此以外未發現其他異常。

圖1 外圈滾道面宏觀形貌
(2)化學成分分析
對外圈進行取樣,大小為15mm×15mm×15mm,采用直讀光譜儀進行化學成分分析,檢驗結果如表1所示,其化學成分符合GB/T18254—2016中GCr15SiMn標準要求。
表1 外圈的主要化學成分(質量分數) (%)

(3)金相檢驗
首先,低倍觀察。制取孔洞部位斷口試樣口后觀察,可見斷口表面粗糙,上有閃閃發光的晶粒棱面,除此以外,還分布有孔洞,俗稱“豆腐渣”斷口,其斷口形貌如圖2a所示。
制取試樣任意截面后低倍觀察,可見表面有大量孔洞分布,邊緣呈尖角狀,個別孔洞深不見底,其外觀形貌如圖2b所示。

(a)斷口 (b)金相宏觀形貌
圖 2
其次,金相觀察。制取孔洞部位截面金相試樣后在OLYMPUSGX51顯微鏡下觀察,可見截面上有大量不規則尖角狀孔洞分布,邊緣有氧化,個別孔洞深不見底,其金相形貌如圖3所示。

圖3 孔洞截面處金相形貌
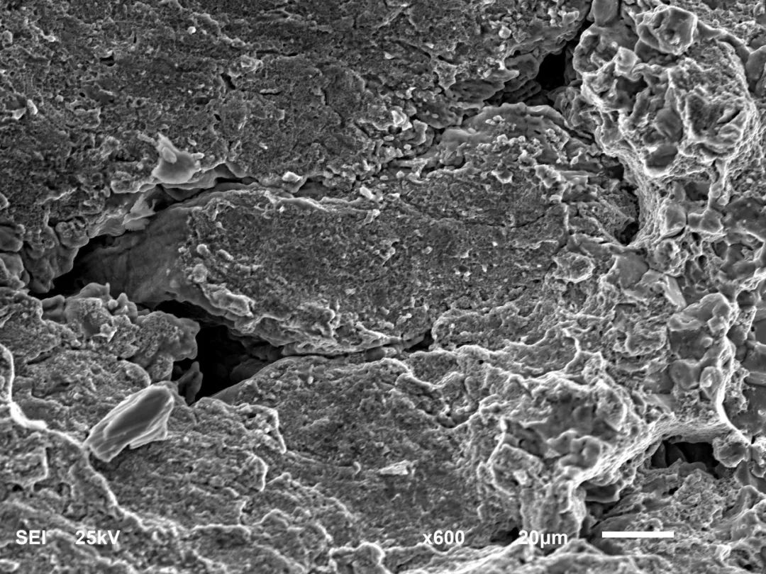
最后,掃描電鏡斷口分析。制取孔洞部位斷口后,在JSM-6610LV掃描電鏡下觀察,可見斷口上分布有大量有尖角狀孔洞,孔內局部有金屬熔融形貌,如圖4所示。

圖4 孔洞顯微形貌
(4)材料及熱處理質量檢測
制取外圈縱橫截面金相試樣后,在光學顯微鏡下觀察,依據材料標準GB/T 18254—2016及熱處理標準JB/T 1255—2014進行評定,檢測結果分別如表2、表3所示,以上檢測結果均符合標準要求。
表2 外圈材料質量檢測

表3 外圈熱處理質量檢測
項目 | 托氏體 組織/級 | 馬氏體 組織/級 | 碳化物 網狀/級 | 硬度 HRC |
外圈 | 2 | 3 | 1.0 | 60、61、61 |
標準值 | ≤2 | 1~4 | ≤2.5 | 58~63 |
2.分析討論
通過對該套圈宏觀檢驗、成分分析、金相檢驗以及材料與熱處理質量檢驗,認為該套圈表面缺陷為過燒孔洞,可以確定該套圈存在過燒現象。
經查,對該批套圈棒料進廠檢驗時未發現原材料缺陷,由此可以確定該孔洞為鍛造過程中形成的。
軸承套圈在鍛造時如果加熱溫度超過工藝溫度的上限,在此溫度保溫時間又很長,則材料會過熱,嚴重時過燒,不但表面層金屬晶界被氧化開裂,而且金屬內部成分偏析較嚴重的區域,晶界也開始熔化,形成尖角狀洞穴。在這種狀態下進行鍛造,材料受到重錘的鍛打,使工件產生撕裂,形成較大的孔洞,此種缺陷大部分出現在倒角、端面和內徑上。鍛造過燒套圈的表面形態如桔子皮,上面分布有細小的裂縫和很厚的氧化皮。
由于套圈存在過燒孔洞,過燒組織破壞了晶界,極大地割裂了基體的連續性,降低材料的強度和塑性,增加脆性。由于套圈鍛造后表面有很厚的氧化皮,在該工序很難發現過燒現象,只有在車加工或者磨加工后才可能顯現出過燒特征。
3.結論及建議
(1)該外圈存在嚴重的過燒孔洞是造成外圈早期失效的直接原因。
(2)過燒孔洞主要形成于套圈鍛造前加熱過程,由于加熱爐“跑溫”、操作人員沒有嚴格執行工藝規程等原因導致加熱溫度高于工藝溫度上限,應該通過定期校準爐溫曲線、操作人員嚴格執行工藝規程,嚴查工藝紀律等手段降低過燒概率。
(3)增加探傷工序,宜采用熒光磁粉進行探傷,使缺陷顯示更為清晰,麻點孔洞為鍛造過燒缺陷所致,發現過燒套圈,應立即報廢。
作者:李貴方、楊爭、曾朝凡
單位:洛陽LYC軸承有限公司、航空精密軸承國家重點實驗室
來源:《金屬加工(熱加工)》雜志
(本平臺"常州精密鋼管博客網"的部分圖文來自網絡轉載,轉載目的在于傳遞更多技術信息。我們尊重原創,版權歸原作者所有,若未能找到作者和出處望請諒解,敬請聯系主編微信號:steel_tube,進行刪除或付稿費,多謝!)

