管殼式換熱器主要有固定管板換熱器、浮頭式換熱器、U形管式換熱器、填料函式的浮頭換熱器等結構型式,固定管板換熱器因結構簡單,制造成本低,能得到較小的殼體內徑,管程可分成多樣,殼程也可用縱向隔板分成多程,規格范圍廣等優勢在工程中得到了廣泛應用。今天帶大家一起以固定管板式換熱器的結構為例,深入了解管殼式換熱器的結構。

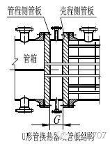
固定管板換熱器的結構示意圖
管箱
管箱結構


常見的管箱結構大致可以分為以下幾類,如上圖所示。
A 型管箱可用于單管程和多管程,優點是便于清洗換熱器的管程;缺點是管箱蓋結構用材較多,當尺寸較大時,需要鍛件,故建議A 型管箱宜用于DN≤900mm 的場合。
B 型管箱用于單管程和多管程,優點是結構簡單,便于制造;缺點是檢修和清洗管程的換熱管內時,需將管箱上的接管法蘭和設備法蘭拆開,并取下整體管箱。
C 型管箱該管箱是多管程換熱器的返回管箱。
D 型管箱該管箱用于單管程換熱器的進出口管箱。
管箱平蓋是管箱的重要組成部分,不同的平蓋可以根據用途、材料耗費、方便清潔等方面進行選擇。
管箱平蓋的結構型式如圖所示
a) 圖1為整體結構的管箱蓋,主要用于管箱為碳鋼或低合金鋼材料的場合。

圖1 整體結構的管箱蓋
b) 圖2 為復合結構的管箱蓋,用于管箱為不銹鋼或耐蝕合金材料的場合。

圖2 復合結構的管箱蓋
c) 圖3 是采用襯板塞焊的管箱蓋,但不適用于真空狀態的場合。

圖3 襯板塞焊的管箱蓋
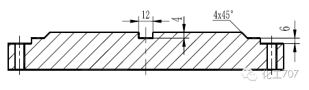
整體結構管箱蓋的有效厚度應等于管箱蓋的實際厚度減去管箱腐蝕裕量或管箱腐蝕裕量與分程隔板槽深度的大值。對于復合管箱蓋和襯層管箱蓋,其復合層或襯層厚度不包括在有效厚度之內。
管板
根據管板與管箱、殼體的連接結構,管板可分為:
a) 延長部分兼作法蘭的固定管板。
b) 不兼作法蘭,且與殼程、管程筒體焊成一體的固定管板。
如下圖所示:







根據管板的使用功能(用途),管板分為:
a) 固定管板換熱器的固定管板;
b) 浮頭換熱器的固定管板和浮動式管板;
c) U 形管式換熱器的固定管板;
d) 雙管板換熱器的雙管板;
e) 薄管板。






波形膨脹節
在固定管板換熱器中,為避免殼體和換熱管拉伸破壞,換熱管失穩,換熱管從管板上拉脫,因此,必須在殼體中間設一撓性補償元件——膨脹節,以降低殼體與換熱管的軸向載荷,且可降低熱膨脹差所引起的管板應力,從而適當地減薄管板厚度。
換熱器用膨脹節的型式
膨脹節的形式較多,按截面的形狀,有U 型、Ω形,S 型等,在固定管板式換熱器中,采用最多也最普遍的是U 形波形膨脹節。
U 形膨脹節主要由波形管、直邊段兩部分組成,需要時還可能設內襯筒,加強環等,見圖所示:

換熱器用膨脹節也可分為單層和多層膨脹節
a) 對于固定管板換熱器,在保證設計要求的承載能力,補償呈剛度和疲勞壽命的前提下,應優先選用單層波形膨脹節。
b) 在下列情況子下,可選用多層波形膨脹節
1)須承受較高壓力,且要求較大的位移補償能力;
2)承受較高的疲勞壽命的要求;
采用多層波形膨脹節結構的特點如下:
1) 柔性好,補償能力高;
2) 疲勞壽命比單層結構高(國外資料介紹是單層的6 倍);
3) 結構緊湊,節省材料;
4) 在高壓情況下,不會突然破裂,不易有危險性。
換熱管
換熱管是換熱器的核心部分,不同的管徑、形狀、排列形式的換熱管等都會影響換熱器的效率。
管徑
換熱管的推薦定尺長度為1.5,2.0,2.5,3.0,4.5,6.0,7.5,9.0,12.0m。
換熱管的常用規格見下表1
表1 換熱管的常用規格

形狀
U 形換熱管
U 形管彎管段的彎曲半徑R(如下圖所示)應不小于兩倍的換熱管外徑,常用換熱管的最小彎曲半徑R min 按表2選取。

表2 換熱管的最小彎曲半徑
換熱管外徑 | 10 | 14 | 19 | 25 | 32 | 38 | 45 | 57 |
R min | 20 | 30 | 40 | 50 | 65 | 76 | 90 | 115 |
當U 形管內流速過高或有腐蝕時,應適當加厚彎管半徑較小的U 形管的壁厚。
換熱管的排列形式
換熱管標準的排列形式見圖


a) 三角形排列
三角形排列(包括正三角形排列和轉角三角形排列)是最為普遍的排列形式,特別是用在殼程介質較清潔,換熱管外不需要清洗的固定管板換熱器中。
b) 正方形排列
正方形排列一般多用于需對換熱管外進行清洗的浮頭換熱器和U 形管換熱器中。
c) 正三角形排列和轉角正方形排列(見圖a、d),在傳熱上稱為錯列,介質流動時可形成湍流,對傳熱有利。而轉角三角形和正方形排列(見圖b、c)在傳熱上稱為直列,介質流動時有一部分是層流,對傳熱有不利影響。
因此,對于無相變的換熱器,因其傳熱與介質流動狀態關系較大。故宜采用正三角形或轉角正方形排列。對于有相變的冷凝器,因為傳熱與介質的流動關系較小,僅與管壁凝液流動方向的關系較大,一般可采用轉角三角形和正方形排列。
殼程結構
常見的典型的殼程元件組成見表3
表3 常見的典型的殼程元件組成

折流板
折流板的作用
a)增加殼程管間的介質流速,提高傳熱效果。
b)對換熱管起支承作用。
c)調整折流板間距,對避免管束誘發振動有一定的作用。
折流板的形狀
常用的折流板和支持板的形狀有弓形和圓盤-圓環形兩種。此外根據需要還有其它形式的折流板和支持板,如矩形孔圓板和矩形擋板等,見圖所示:





a) 單弓形折流板(圖 a):是最常采用的一種形式,其形式簡單,但壓降較大。
1) 上下排列(水平切口)即指物料進口與弓形缺口是成垂直設置的,以造成介質的劇烈擾動來增大傳熱系數。
2) 左右排列(豎直缺口)是指物料進口與弓形缺口是成平行設置的。多用于臥式冷凝器或蒸發器,便于冷凝液和氣體的流動。
3) 轉角排列,一般用于換熱管正方形排列,可使流體形成湍流,以提高傳熱效率。
b) 雙弓形(圖b)和三弓形折流板(圖c):適用于殼程流量較大的物流,或殼程流體為密度低的低壓時,此時壓降會有大的下降,而傳熱系數的下降要小得多;同時這種形式還有利于防止介質流動過程中誘發的振動。
c)圓盤—圓環形折流板(圖d):由圓盤和圓環交錯排列,介質流動特征是與軸心對稱。
d)矩形折流板(圖e):矩形折流板可橫放,也可豎放,而橫放一般用于殼程介質為氣相時,豎放用于殼程介質為液相或有冷凝液的場合。這兩種形式通常在大直徑和大流量情況下采用。
拉桿和定距管
折流板、支持板的固定一般采用拉桿或拉桿和定距管與管板固定。常用的固定結構有兩種,即拉桿定距管結構和點焊結構,見圖所示:


a) 拉桿定距管結構,用于換熱管外徑大于或等于 19mm 的管束。
b) 拉桿與折流板點焊結構,用于換熱管外徑小于或等于 14mm 的管束。
拉桿的尺寸
拉桿的連接尺寸按圖所示和表4確定。

表4 拉桿尺寸

拉桿的布置
雙殼程結構
在殼程內安裝一平行于換熱管軸線的矩形平板,即縱向隔板,將殼程一分為二,即雙殼程,見圖所示。這種結構可以提高殼程物料流速,改善傳熱效果,即提高傳熱系數,從經濟角度,一臺雙殼程換熱器比兩臺單管程換熱器便宜。

今天主要介紹了管殼式換熱器中固定管板式換熱器的,因為換熱的零部件結構很多都是通用的,今天做的這些零部件結構有的不太詳細,希望網友一起來完善更多的零部件結構。
| |


