螺紋聯接是汽車制造技術中最基礎、標準程度最高的機械零件,同時也是汽車行業運用最廣泛的聯接工藝,結構簡單,聯接可靠,在整車裝配過程中具有高精度、裝配方便、零件拆裝便利、重復使用性好等優點。零件采用螺栓聯接,就是依靠“擰緊”所施加扭矩來實現兩個被聯接體緊密貼合并具備足夠的軸向預緊力(即軸向拉應力),以確保被聯接零件的可靠聯接和正常工作。在裝配時,夾緊力必須足夠大,以保證被連接零部件在工作過程中不發生相對移動;另外,所施加的夾緊力必須保證螺栓和被聯接零部件在裝配和服役過程中不會發生破壞或塑性變形。目前,在汽車裝配生產過程中,可將扭矩作為中間量來評價螺栓聯接的裝配質量,比如扭矩控制法通過控制螺栓的最終扭矩來獲得螺栓所需要的軸向預緊力,當擰緊扭矩達到設定的目標扭矩時立即停止擰緊,從而結束扭矩控制。在發動機裝配工藝過程中,螺栓聯接已經成為最常用的緊固和聯接方式,而擰緊工藝過程是其中的重要環節,通過優化設計對擰緊過程監控策略,進行有效的系統性預防,降低擰緊過程的質量風險,從而提高裝配工作效率。汽車螺栓的失效案例頻發,失效原因多樣,例如在使用過程中因螺栓松動而發生多源疲勞斷裂;因加工過程產生的微裂紋導致氫致延遲斷裂;表面增碳導致延遲開裂;淬火裂紋在裝配時擴展而斷裂。某供應商生產的一批用于固定發動機噴油嘴的圓柱頭內六角螺栓在裝配時多次發生開裂。本文利用金屬材料學的基本原理來研究分析螺栓斷裂的根本原因,防止失效問題再次發生。某型號汽車發動機噴油嘴使用46S20鋼制圓柱頭內六角螺栓進行裝配固定,裝配工人使用正確的扭矩進行作業時,某批次螺栓多次發生貫穿式的縱向開裂,螺栓的圓柱頭與螺紋段均從外向里斷裂至中心孔,如圖1所示。事后調查,電子程序監控結果顯示使用的扭矩符合要求,根據追溯性文件發現斷裂的螺栓全部來自某供應商生產的同一批次。

(a) (b)
圖1 螺栓斷裂形貌特征
使用Spectro MaXx型直讀光譜儀進行化學成分分析;從中心孔將一個螺栓切開,斷裂面自然打開,使用Keyence VHX-1000型超景深三維光學顯微鏡觀察斷口形貌特征;在另一個螺栓圓柱頭位置切取橫截面的金相試樣,磨拋處理后經4%硝酸酒精腐蝕,使用Zeiss Axio Imager M2m型顯微鏡進行觀察分析。
對斷裂的噴油嘴螺栓進行取樣,經直讀光譜儀進行化學成分分析,結果如表1所示,顯示螺栓的化學成分均符合易切削鋼46S20的規范要求(EN 10277-3:2008)。46S20屬硫系易切削鋼牌號,適用于制造對力學性能要求不高的各種零件,如螺栓、螺母等。
表1 螺栓的化學成分(質量分數) (%)

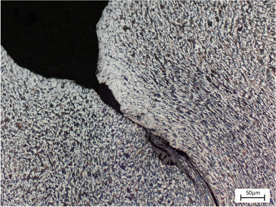
從隨機挑選的斷裂螺栓中心孔將其切開,斷裂面自然打開,如圖2所示。圓柱頭圓周面向內很大深度范圍內(藍色雙箭頭所示)斷裂面較為平整,表面呈現出明暗相間的花紋,藍色方框放大后發現其具有高溫氧化的跡象(見圖3);新鮮斷裂面如圖2黃色雙箭頭區域所示,該段屬于裝配工序產生的裂紋,線性起源于高溫氧化區域的末端,向中心孔的方向擴展。斷裂面具有明顯的宏觀臺階狀特征,無塑性變形。

圖2 斷口的體視學形貌

圖3 斷裂面上的高溫氧化特征
沿另一個隨機挑選的斷裂螺栓圓柱頭部制取橫截面金相試樣,金相觀察發現,從外緣向內至約1/2壁厚處,裂縫走向較為平滑,然后轉為曲折(見圖4)。低倍下觀察,平滑段裂縫兩側具有泛白的特征。高倍下觀察,平滑段裂縫附近具有明顯的高溫脫碳特征,脫碳層深度可達0.15mm,如圖5所示;而正常區域組織為珠光體加鐵素體,晶粒細小,如圖6所示。

圖4 橫截面試樣的組織特征

圖5 裂縫附近高溫脫碳特征

圖6 正常區域的金相組織
結合金相組織與體視學形貌的觀察結果,可判定外圓周面向內平滑段裂縫其實并非真正的裂紋,而是符合熱鍛成形工藝中產生的高溫折疊特征,并伴有一定深度的氧化與脫碳現象。對同批次未經使用的新螺栓進行抽檢,螺栓圓柱頭部也發現了折疊缺陷,如圖7所示。試樣經侵蝕后發現,折疊附近的微觀組織結構具有與折疊大致平行的加工流線特性,具有明顯的高溫脫碳特征,且存有一處較大的氧化物夾渣,如圖8所示。

圖7 新螺栓橫截面試樣的折疊缺陷(拋光態)

圖8 新螺栓橫截面試樣的折疊缺陷(侵蝕態)
經上述分析,可斷定螺栓在正確裝配過程中發生斷裂與螺栓圓柱頭部外表面的折疊缺陷有關。折疊的深度較大,甚至超過1/2壁厚,這顯著降低了螺栓可承載應力的有效截面積,而且易引起應力集中。在裝配扭矩扳手的扭轉作用下,折疊前端形成較強的拉應力,萌生線性裂紋源,并迅速向中心孔方向擴展,導致低應力脆斷。本文對裝配中斷裂的汽車噴油嘴螺栓油管做了斷口觀察、光譜分析、金相檢驗等試驗,探究了螺栓斷裂的產生原因,主要結論如下。(2)螺栓圓柱頭部外表面存在較深的熱加工折疊缺陷,是導致螺栓異常斷裂的根本原因。(3)螺栓制造商需合理優化熱成形工藝,避免類似折疊缺陷的產生,同時加強質量檢驗,杜絕問題件出廠。
作者:孔德群、周建、楊利
單位:北京奔馳汽車有限公司,材料實驗室
(本平臺"常州精密鋼管博客網"的部分圖文來自網絡轉載,轉載目的在于傳遞更多技術信息。我們尊重原創,版權歸原作者所有,若未能找到作者和出處望請諒解,敬請聯系主編微信號:steel_tube,進行刪除或付稿費,多謝!)