Problems Withand Solutions to Skull Formation in EBT Furnace for Tooling and Stainless SteelProduction
EBT電爐生產工具鋼和不銹鋼爐底結殼問題及解決方法
電弧爐底部結殼形成是電爐生產高合金鋼時候普遍存在的問題。結殼的形成帶來了一系列的工藝問題:減少了電爐的容量,降低了出鋼量,造成出鋼量命中率下降,降低了電爐冶煉的收得率。調查研究了韓國某鋼廠70噸偏心爐底出鋼的電爐生產工具鋼和不銹鋼時候,在爐內形成結殼的機理,比較了底吹氣攪拌和電磁攪拌(EMS)對減薄結殼厚度的影響,結果表明,使用電磁攪拌EMS比底吹氣攪拌更加有效來減少結殼的形成。
電弧爐底結殼的形成是高合金鋼生產中普遍存在的問題,尤其是生產使用高百分比FeCr鉻鐵加入爐內,而且出鋼時間短的情況下更甚。結殼的形成帶來了一系列的工藝問題,如降低爐容量、降低出鋼重量命中率、降低鋼產量、降低生產效率等。有報道稱,爐底電磁攪拌(EMS)的使用可以減少電爐長槽出鋼電爐不銹鋼生產結殼的形成。[1]安裝在爐底下方的電磁攪拌線圈對整個熔池產生攪拌作用,加速廢鋼熔化,熔池溫度均勻化,有利于去除結殼現象。
最新一代電弧爐電磁攪拌器(ArcSave?)安裝在70噸偏心爐底出鋼的電爐上,該電爐位于韓國昌原SeAH鋼鐵廠。SeAH CSS于1966年成立于昌原市。昌原廠每年生產粗鋼120萬噸。SeAH CSS是韓國唯一一家從冶煉到無縫不銹鋼管制造商。熔煉車間由電弧爐、氬氧脫碳爐(AOD)/真空氧脫碳(VOD)、鋼包精煉爐和連鑄/鑄錠工藝設備組成。電爐系70噸,配備一個72 MVA變壓器,四支吹氧噴碳,噴鋁混合物噴吹槍。除了電能的輸入,采用三根爐壁氧-燃燒嘴槍進行化學能輸入。基本爐況數據列于表1。嚴重的結殼形成是這種電爐最大的操作問題。在2012年,在下爐殼安裝了三個吹氣攪拌的透氣芯,安裝透氣芯的目的是消除爐底結殼問題,但是不幸的是沒有得到成功。同樣,透氣芯維護也是一個主要的問題,透氣芯容易堵塞。經過近一年的測試,由于沒有積極正面的效果,透氣芯被拆除。2018年,出于同樣的目的,電磁攪拌技術被引入SeAH鋼廠,作為一種新的潛在解決爐底結殼問題的方法,本文將總結熱調試期間和調試后的試驗結果。結果表明,與爐底氣體攪拌相比,電磁攪拌有效地減少爐底結殼的形成,并討論了爐底電磁攪拌對電能、通電時間和噴補材料減少的影響。
表1 基礎電弧爐數據, SeAH鋼廠煉鋼3隊

結殼形成
爐底的結殼層由未熔廢鋼、未熔鉻鐵和固態渣組成。結殼的厚度有時可達1000mm,這取決于下爐殼使用時間。爐底形成的結殼拍攝的照片如圖1a所示,使用耐材清理設備定期清除結殼,在爐底結殼側面鉆孔后,用行車將結殼中心吊起,如圖1b所示。這種爐底結殼去除工作是艱辛和耗時的。

圖1 SeAH電弧爐下爐殼結殼照片:爐底結殼和耐材清理機械打孔(a)及行車起吊的結殼部分(b)
EMS線圈安裝和攪拌原理
電磁攪拌器置于爐底的下方,爐底由非磁性(奧氏體不銹鋼)鋼板制成,如圖2所示。通過攪拌器繞組的低頻電流產生移動磁場,磁場穿透爐底,進而在鋼液中產生作用力。由于磁場穿透整個熔池深度,鋼水在下爐殼中以相同的方向運動,這種鋼水運動是通過整個電爐的直徑,并且是熔池的全部深度的鋼水運動。在到達爐壁后,鋼水必須沿爐壁回流。當磁場反轉時,鋼水向相反方向流動。由于攪拌器布置在幾乎整個下爐殼的直徑上,所以在整個熔池內都得到良好的攪拌力。

圖2 電弧爐與ArcSave?攪拌器安裝在爐底下面
如圖3所示,采用計算流體動力學(CFD)模擬160噸EBT電爐,攪拌方向從爐門口到EBT,見圖3所示。圖3a為熔池縱向截面的速度分布,圖3b為熔池橫截面的速度分布,圖3c為熔池表面的速度分布。從圖3可以看出,整個熔池都參與了攪拌運動。優化的熔池平均體積移動速度在0.2 ~ 0.4 m/s范圍內。與爐底透氣芯攪拌相比,電磁攪拌在整個熔池產生混合攪動。這種效應加速了鋼水的溫度和化學成分的均勻化。需要指出的是,電磁力作用不僅在水平方向上,而且也作用在垂直方向上,這使得整個熔池的混合攪拌的效果更加有效。電磁攪拌EMS的另一個優點是不與鋼液發生物理接觸,因此維護需要非常低。


圖3 偏心爐底模擬熔池流動速度矢量和溫度均勻化時間:縱向截面速度分布(a)、橫向截面速度分布(b)、熔池表面速度分布(c)、溫度均勻化曲線(d)
在以下假設下計算熔池溫度均勻化:
?對于無攪拌的熔池,爐底溫度假設為1560℃,表面溫度為1620℃。然后比較EMS攪拌前后的溫度分布(均勻化時間差)。
?對于無攪拌熔池,以EMS力5%的情況為參考,模擬自然攪拌。
溫度均勻化曲線如圖3d所示,均勻化時間是在最大溫差小于5℃時計算的。使用5% EMS功率的溫度均勻化時間為305秒,100%使用 EMS功率時候的溫度均勻化時間僅為58秒。結果表明:采用100% EMS功率時候,熔池的均勻化使用的時間僅為不采用EMS時間的19%;溫度的快速均勻化提高了電弧傳熱效率,同時也提高了廢鋼的熔化速率。
2018年春季,在SeAH昌原鋼廠3號電爐安裝電磁攪拌設備,為了適應這種電磁攪拌,更換安裝了一個新的不銹鋼下爐殼,在9天的停機期間,安裝過程順利進行。EMS攪拌的特點是通過文件圖標可以進行全自動控制,可以進行定制確定以滿足不同的電爐工藝階段的需求,如廢鋼熔化,鋼水均質化,合金熔化,脫碳,除渣和出鋼。EMS操作具有運行成本低、可靠性高、安全性高、重現性好等特點。SeAH鋼廠所使用的EMS控制頁面如圖4所示,根據頻率的正負值改變攪拌方向。

圖4 SeAH工具鋼冶煉的EMS動態電流分布圖
結果與討論
在電弧爐工藝中攪拌熔池鋼水的主要優點是加快了傳熱傳質過程。為了比較ArcSave對電弧爐工藝的影響,在2018年第一季度收集了4個月無攪拌作用的參考工藝數據,并在使用ArcSave下收集了6個月的性能數據。本節將討論EMS對熔池溫度均勻化、能量和電極消耗、通電時間和耐火材料消耗的影響。
熔池均勻化和溫差
EMS攪拌引起的熔池大的體積量上湍流使整個熔體完全混合,產生很好的溫度和成分均勻性。在爐內兩個位置,分別從爐門口處和從EBT區,測量了無EMS和有EMS時的溫度分布,如圖5所示。EMS關閉時,溫差范圍為9-39℃,EMS打開時,溫差范圍為0-10℃。

圖5 熔池溫度測量從爐門口處和EBT區域進行。使用EMS時候,這兩個工位鋼水的平均溫差小于9℃
從冶金學的觀點來看,熔池良好的均勻性是非常重要的,均勻的熔池造就了可靠的確定成分,準確預測最終可控出鋼碳含量和精確的出鋼溫度。因此,使用EMS后的熔池得到良好均勻化過程,可以獲得不同鋼種的準確出鋼溫度,這對于減少目標出鋼溫度的變化,使下道鋼包精煉爐(LF)/ VOD操作更加平穩順暢是非常重要的。
廢鋼熔化和廢鋼處理
電磁攪拌引起的強制對流促進了較大的廢鋼塊和打包料的熔化,使廢鋼管理加入變得簡單起來。計算流體力學(CFD)模擬結果表明,與純自然對流相比,使用ArcSave系統可以使廢鋼熔化速率的因素增加了10。[2]熔池內部強烈的對流有助于均勻的溫度分布和較高的廢鋼熔化率。另外,ArcSave裝置電弧穩定,降低了電極電流的波動,能夠快速熔化大塊打包料廢鋼,而且減少了廢鋼的崩塌對電極的影響。[3]
快速廢鋼熔化的主要益處是在SeAH廢鋼處理成本得到降低。EMS使用之前,鋼廠內部剔除鋼錠料進入電爐前必須切成小塊(小于250公斤),否則很難在爐內一爐鋼中熔化。使用ArcSave后,可將多達4噸的報廢鋼錠直接裝入爐內而不會出現熔化不足的問題。較少的廢鋼處理工作意味著較少的人工成本,較少的天然氣消耗和較高的金屬收率。EMS安裝后,廢鋼處理成本降低70-80%。
電弧加熱效率高,節能省電
在傳統的交流電弧爐中,無攪拌時熔池中廢鋼的溫度梯度為50 ~ 70℃,[4,5]現場的實際情況限制了爐底鋼水溫度的測量,特別是在通電期間。特別為估算電弧加熱過程中的熔池溫度的分布,對160噸電爐有功功率70 MW采用EBT出鋼形式,電弧加熱廢鋼過程中攪拌對溫度分布的影響進行了CFD模擬研究。電弧爐內功率分配假設為三部分:
?Pcon: 55%的能量通過熔池對流傳熱。輸入功率的這一部分可以描述為與電極距離的函數。
?Prad:20%通過輻射向熔池傳熱,可以認為是均勻分布到熔體中。
? Plos:25%通過爐殼、爐蓋和電極損失掉。
計算通電期間的熔池底層(從爐底向上50mm)和表層(從液面50mm下方)之間的平均溫度梯度,電爐的電磁攪拌EMS開啟不同功率程度(5%、15%、30%、50%、70%和100% EMS攪拌力),這項研究的結果發表在圖6中,可以看出,當EMS攪拌力為5%時(相對于無攪拌時),平均溫度梯度隨著通電時間的增加而增大,通電10分鐘后平均溫度梯度達到168℃。隨著電磁攪拌力的增大,熔池鋼水的溫度梯度減小。在100% EMS攪拌力的情況下,平均溫度梯度僅為28°C,且隨著通電時間的增加,溫度梯度幾乎恒定。這意味著攪拌降低了熔體表面的過熱,從電弧區得到的熱量被迅速傳輸到整體熔池中。表面鋼水過熱溫度的降低,減少了通電期間爐壁和爐蓋的熱量損失,從而降低了電耗。同時電磁攪拌提高了廢鋼熔化和脫碳速率,節約了電爐爐內冶煉過程時間,也有助于降低熱損失。在通電過程中,爐底鋼水溫度相應升高也導致了爐底結殼的熔化。

圖6 160噸EBT電爐通電期間爐底(爐底向上50 mm)與表層(鋼水液面向下50 mm)的平均溫度梯度
在SeAH鋼廠 EMS測試期間,平均電能節約約3%,吹氧減少7%。通過多消耗氧氣使用化學能,結果等效節能約為4%,如圖7所示。通電時間可以減少4-5%,電弧穩定,鋼水熔池表面過熱度低,電耗低,電極消耗降低3-4%。

圖7 使用ArcSave對電能消耗的影響(a);對通電時間的影響(b)
減少爐底結殼和操作上的益處
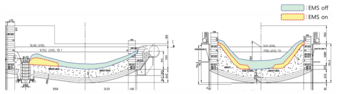
如前一節所討論的,SeAH鋼廠安裝ArcSave的主要目標之一是解決爐底結殼問題。用激光測距儀測量爐底結殼厚度,比較使用EMS和參考試驗不使用EMS時的結殼厚度的變化。圖8給出了爐內結殼輪廓總體示意圖,結殼厚度從無EMS時的700 - 1000mm減少到使用EMS時的200mm。結殼厚度的減少在某種程度上是依賴于EMS的運行功率,就目前的情況而言,1400安培的EMS電流對于減少結殼的形成更為有效。

圖8 爐底結殼變化說明:厚度從700 - 1000mm(無EMS)減少到100 - 200mm(有EMS)
EMS去除爐底結殼的機理可能是爐底鋼水相對溫度的升高和熔池內鋼水對流作用。高熔點高密度的FeCr鉻鐵意味著它傾向于停留在爐底,爐底附近的鋼水溫度相對較低,因此在沒有攪拌的情況下溶解沉底的鐵合金就會有問題。同時發現,鉻鐵添加量越高,出鋼時間越短,結殼形成的問題越嚴重。未熔鉻鐵在爐底的堆積是結殼形成的主要原因。Argyropoulos和Guthrie模擬了溫度和攪拌對球形鉻鐵顆粒溶解時間的影響。[6]根據報道,粒度為20cm鉻鐵的溶解時間在1570℃溫度條件下需要950秒,在1600℃需要約90秒,在1620℃需要約50秒。[6]如圖6所示,通電期間,使用EMS的爐底附近的鋼水溫度提高了約50-100°C。熔池底部鋼水溫度的相應升高縮短了添加的鉻鐵熔化時間。也有報道稱,在固定熔池溫度(1600℃)下,熔池鋼水以0.3 m/s的滑移速度攪拌,可將鉻鐵溶解時間縮短至無攪拌(僅自然對流)情況下的四分之一。[6] 這意味著溫度均質化和熔池的強制對流將有助于FeCr合金和大塊廢鋼的熔化。即使在使用長槽出鋼的電爐中生產不銹鋼,使用EMS對結殼的去除的積極作用也得到了證實。
SeAH電爐中結殼厚度的減少帶來以下操作生產上的效益:
?更容易使用廢鋼料籃加料。
?更好的熔池液位控制。
?增加廢鋼加入量或提高出鋼鋼水噸位。
?更高的出鋼鋼水重量命中率。
?減少下爐殼耐材的維護工作。
?更高的廢鋼和鐵合金收得率。
?連續一致的電爐操作。
?提高了產能。
熔池表面溫度降低和節約耐火材料
在SeAH鋼廠 20個月的EMS運行表明,與沒有EMS的情況相比,熔池攪拌使熱修耐火材料消耗減少45%,冷修耐火材料消耗減少9%。在通電過程中,EMS攪拌降低了熔池表面溫度,這可能是節約耐火材料的主要原因,因為耐火材料的最嚴重損害發生在渣線區,特別是在熱點區域。降低耐火材料磨損的另一個因素是使用EMS后出鋼溫度的降低,不銹鋼等級的平均出鋼溫度從1680℃低到1660℃,工具鋼的平均出鋼溫度從1630℃低到1610℃如圖9所示。應該記住,在電弧爐中測量出的出鋼溫度下降20-30℃可以分為兩部分:第一部分降低了15℃左右的出鋼溫度不會影響鋼包抵達精煉爐位置時候的鋼水溫度,因為熔池中鋼水溫度差減小,進入到鋼包中的鋼水平均溫度并沒有降低。在無攪拌情況下,一般來說,熔池表面附近鋼水溫度更高,所測得的溫度往往不能代表整個熔池的平均溫度。第二部分5-15℃將是出鋼包內絕對出鋼溫度的降低。20-30℃出鋼溫度降低,一定會降低耐火材料的磨損。EMS攪拌第三個優點是減少結殼的形成,更少結殼問題導致更少的爐底維護工作,同時能夠保持爐內鋼水一致的液面控制。結果表明,EMS對爐壁耐火材料有積極的影響,降低了爐體耐火材料的維護成本。

圖9 使用ArcSave對不銹鋼生產出鋼溫度(a)和電極消耗(b)降低的影響
工藝可靠性和安全性
安全性和可靠性一直是電爐運行的重要問題。如前面章節所述,EMS對電弧爐工藝的積極影響對提高工藝可靠性有著重大影響。大塊廢鋼和鉻鐵的快速熔化使熔池的化學成分和溫度快速均勻化,保證了出鋼的目標鋼水重量和溫度。在熔池中攪拌可以減少碳的沸騰。整個熔池內均勻的溫度提供了出鋼的穩定性,減少了出鋼故障造成的推遲。此外,熔池中溫度分層現象的消除明顯降低了出鋼溫度,結果表明,使用EMS可以在不改變LF到達溫度的情況下使出鋼溫度降低15 ~ 20℃。在未攪拌的爐號情況下,一般來說,鋼水在熔池表面附近更熱,所測得的溫度往往不能代表整個熔池的平均溫度。
結論
EMS攪拌改善了電爐過程中的傳熱傳質,降低了能量和電極消耗,同時提高了操作的可靠性和安全性。現場工業生產試驗結果表明,使用EMS促進了廢鋼和鉻鐵合金的熔化,有效地降低了爐底結殼的形成。熔池內鋼水溫度更加均勻,目標出鋼溫度控制更精確,使下道VOD的操作更加順暢。短的出鋼時間和穩定的電爐操作也提高了生產率。使用EMS獲得的工藝效益如表2所示。
表2 SeAH鋼廠安裝EMS后的工藝改進

致謝
作者要感謝ABBCRC/SST/Poland的Monika Zielinska對計算流體動力學模擬工作友好支持和寶貴貢獻。
參考文獻
1. L.D. Teng, P. Ljungqvist, H. Hackl, J.Andersson and A. Bohlin, “ArcSave: Electromagnetic Stirring in the EAF forHigher Productivity and Lower Cost,” METEC and 2nd ESTAD 2015, Düsseldorf,Germany, 2015.
2. O. Widlund, U. Sand, O. Hjortstam and X.J.Zhang, Proc. of 4th Int. Conf. on Modeling and Simulation of Metallurgical Processesin Steelmaking (SteelSim), Stahlinstitut VDEh, Düsseldorf, Germany, 2011.
3. L.D. Teng, A. Jones, H. Hackl and M. Meador,“ArcSave? — Innovative Solution for Higher Productivity and Lower Cost in theEAF,” AISTech 2015 Conference Proceedings, 2015.
4. E.H. McIntyre and E.R. Landry, “EAFSteelmaking — Process and Practice Update,” Iron & Steelmaker, Vol. 17, No.5, 1993, pp. 61–66.
5. S. Fornander and F. Nilsson, “InductiveStirring in Arc Furnace,” Journal of Metals, Vol. 188, No. 1, 1950, pp. 33 and256.
6. S. Argyropoulos and R. Guthrie, “DissolutionKinetics of Ferroalloys in Steelmaking,” 65th Steelmaking ConferenceProceedings, Vol. 65, 1982, pp. 156–167.
作者
Eung-Sou Lee:Directorof Small Production Division, SeAH CSS Corp., Changwon, Gyeongnam, Korea
Ho-Kyoung Kim:TeamLeader of 3 Steelmaking Team, Large Production Division, SeAH CSS Corp.,Changwon, Gyeongnam, Korea
Eun-Woo Jung:Manager of3 Steelmaking Team, Production Division, SeAH CSS Corp., Changwon, Gyeongnam,Korea
Lidong Teng:PrincipalEngineer, ABB AB, V?ster?s, Sweden lidong.teng@se.abb.com
Kwang-Seok Kim:SeniorArea Sales Manager, ABB AB, V?ster?s,Sweden
JoakimAndersson:Sales Manager NAM, ABB AB, V?ster?s, Sweden
Hongliang Yang:R&DTeam Leader, ABB AB, V?ster?s, Sweden
唐杰民2021年元月在安徽黃山市屯溪翻譯自美國《鋼鐵技術》雜志2021年元月期刊。水平有限,希望各位看官發現錯誤和不妥之處給與指正。


