前言:隨著鋼的成分不同以及處理工藝不同,鋼中將出現:滲碳體、珠光體、魏式氏織、鐵素體、貝氏體(其中又分為上貝氏體、下貝氏體、和粒狀貝氏體)、奧氏體、馬氏體、回火馬氏體、回火托氏體、回火索氏體。現簡單介紹一下這些組織的基本形態,以便在實踐中加以區別。
滲碳體是鐵和碳的化合物,Fe3C,其含碳量為6.69%,在合金中形成(Fe,M)3C,滲碳體硬而脆,硬度為800HB。在鋼中常呈網絡狀、半網狀、片狀、針片狀和粒狀分布。

網狀滲碳體200×

針狀滲碳體(魏氏組織)200×

粒狀滲碳體500×

T12 退火態500×

珠光體是鐵素體和滲碳體的機械混合物,它是鋼的共析轉變產物,其形態是鐵素體和滲碳體彼此相間形如指紋,呈層狀排列。按碳化物分布形態又可分為片狀珠光體和球狀珠光體二種。片狀珠光體又可分為粗片狀、中片狀和細片狀三種。

片狀珠光體200 ×

T8 退火態500×



球狀珠光體,經球化退火獲得,滲碳體成球粒狀分布在鐵素體基體上;滲碳體球粒大小,取決于球化退火工藝,特別是冷卻速度。球狀珠光體可分為粗球狀、球狀和細球狀和點狀四種珠光體。

球狀珠光體500x

球狀珠光體1000x

亞共析鋼加熱時因過熱而形成粗晶,冷卻時又快,故鐵素體除沿奧氏體晶界成網狀析出外,還有一部分鐵素體從晶界向晶內按切變機制形成并排成針狀獨自析出,這種分布形態的組織稱為魏氏組織。
過熱過共析鋼冷卻時滲碳體也會形成針狀自晶界向晶內延伸而形成魏氏組織。

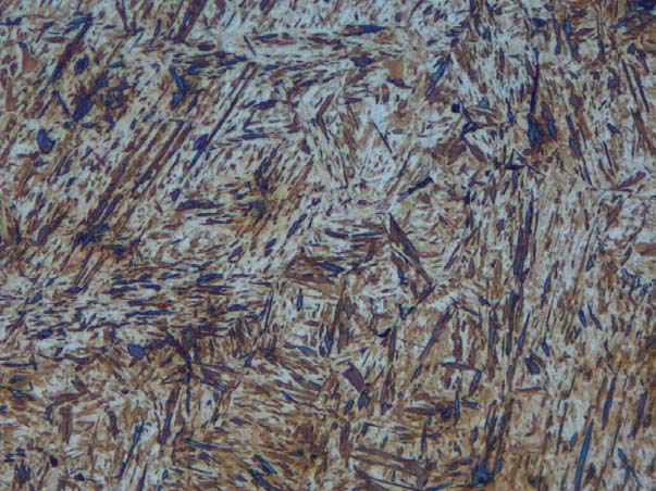
粗晶魏氏組織200×

粗晶魏氏組織鐵素體200×

是鋼的奧氏體在珠光體轉變區以下,Ms點以上的中溫區轉變的產物。它也是鐵素體與滲碳體兩相組織的機械混合物,但形態多變,不象珠光體那樣呈層狀排列。
從形狀特征來看,可將貝氏體分為羽毛狀、針狀和粒狀三類。
上貝氏體
上貝氏體特征是:條狀鐵素體大體平行排列,其間分布有與鐵素體針軸平行的細條狀(或細短桿狀)滲碳體,呈羽毛狀。

羽毛狀貝氏體500×

羽毛狀貝氏體500×
下貝氏體
下貝氏體呈細針片狀,有一定取向,較淬火馬氏體易受侵蝕,極似回火馬氏體,在光鏡下極難區別,在電鏡下極易區分;在針狀鐵素體內沉淀有碳化物,且其排列取向與鐵素體片的長軸成55~60度,下貝氏體內不含孿晶,有較多的位錯。

下貝氏體、馬氏體、殘奧及少量羽毛狀上貝氏體 200×

下貝氏體、馬氏體、殘余奧氏體200×
粒狀貝氏體
外形相當于多邊形的鐵素體,內有許多不規則小島狀的組織。
當鋼的奧氏體冷至稍高于上貝氏體形成溫度時,析出鐵素體有一部分碳原子從鐵素體并通過鐵素體/奧氏體相界遷移到奧氏體內,使奧氏體不均勻富碳,從而使奧氏體向鐵素體的轉變被抑制。這些奧氏體區域一般型如孤島,呈粒狀或長條狀,分布在鐵素體基體上,在連續冷卻過程中,根據奧氏體的成分及冷卻條件,粒貝內的奧氏體可以發生如下幾種變化。


粒狀貝氏體200×

空冷貝氏體鋼500×

空冷貝氏體鋼200×

粒狀貝氏體10000×
粒狀貝氏體,鐵素體基體上布有顆粒狀碳化物(小島組織原為富碳奧氏體,冷卻時分解為鐵素體及碳化物,或轉變為馬氏體或仍為富碳奧氏體顆粒)。

羽毛狀貝氏體8000x
羽毛狀貝氏體,基體為鐵素體,條狀碳化物于鐵素體片邊緣析出。
下貝氏體
下貝氏體,針狀鐵素體上分布有小片狀碳化物,片狀碳化物與鐵素體的長軸大致是55~60度角。

下貝氏體8000x
?來源:熱處理技術研究中心
(本平臺"常州精密鋼管博客網"的部分圖文來自網絡轉載,轉載目的在于傳遞更多技術信息。我們尊重原創,版權歸原作者所有,若未能找到作者和出處望請諒解,敬請聯系主編微信號:steel_tube,進行刪除或付稿費,多謝!)

