一、壓裂頭的工藝流程

圖1 壓裂頭形狀

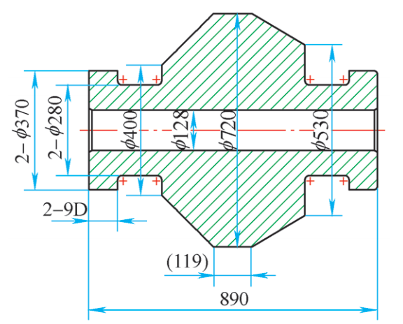
圖2 壓裂頭示意
二、壓裂頭熱處理后裂紋形貌

圖3 壓裂頭內孔裂紋形貌

圖4 靠近內孔小凸臺端面上的裂紋
三、壓裂頭裂紋產生的原因分析

圖5 熱處理工藝

圖6 裂紋形貌
四、原因分析

圖7 大型產品淬火后的殘余應力圖

圖8 大型件應力的作用方式和淬裂產生的力學模型
五、改進措施及效果
作者:馮玲
單位:中石化第四機械廠
(本平臺"常州精密鋼管博客網"的部分圖文來自網絡轉載,轉載目的在于傳遞更多技術信息。我們尊重原創,版權歸原作者所有,若未能找到作者和出處望請諒解,敬請聯系主編微信號:steel_tube,進行刪除或付稿費,多謝!)

