關于管道儀表流程圖中的管道編號你知道多少?


一、管道編號對象
本規定的管道編號適用于管道儀表流程圖(PI 圖),圖上表示的全部管道均應編號,只有下列情況除外。
1、隨設備、機械一起加工和配置的管道,即由賣方(制造廠)提供詳細 PI圖或管道布置圖,不需要工程設計單位編制管道布圖,即不需要統計材料的管道,包括:
(1)由賣方(制造廠)在成套設備或機組中供貨的管道等。
(2)設備、機械內部的管道。例如:插入管(插入設備內的一段)、內部換熱管等。
2、設備管口直接相連(中間不需加管道)。例如:疊放的換熱器、塔與緊靠的再沸器等。
3、設備接管口上直接接閥門、盲板、絲堵而無管道連接的接管口。例如:設備自身的放凈口、放空口、試壓口、試漏口、備用口和公用工程連接管口,當上述管口的閥門后如果連接上管道,則該管道要編號。
4、管道上的放空管、導淋管,即指的是排至地坪(不是排至地溝或地坑)的排液管、直接排大氣的安全閥入口導管(此安全閥無出口導管)。
5、設備上、機械上、管道 上的伴熱管和夾套管在P I 圖上不編號。
6、控制閥的旁路管、切換使用的小型管件或閥組的相同備用(或旁路)管。
7、儀表管線,如壓力表接管、各類儀表信號管線等。
二、管道號的組成

1、管道號由五部分組成,在每個部分之間用一短橫線隔開。
(1)第一部分:物料代號。
(2)第二部分:該管道所在工序(主項)的工程工序(主項)編號和管道順序號。:第二部分簡稱為管道編號。
(3)第三部分:管道的公稱通徑。
(4)第四部分:管道等級。
(5)第五部分;隔熱、保溫、防火和隔聲代號。
(6)第一部分和第二部分合并組成統稱為“基本管道 號”,它常用于管道在表格文件上的記述,管道儀表流程圖中圖紙和管道接續關系標注和同一管道不同管道號的分界標注。
2、典型圖示



物料代號:用規定的大寫英文縮寫字母表示管內流動的物料質,物料字母代號見《管道儀表流程圖上的物料代號和縮寫詞》(HG 20559.5一93),工程中需要但在規定中沒有列入的物料代號應根據工程要求,由工藝系統專業負責人編制,經設計經理批準后在工程中應用。
工程的工序(主項)編號和管道順序號:由二個或三個單元組成,一般用數字或帶字母(字母要占一位數,大小與數字相同)的數字組成注①。
a、工程的工序編號單元
工程的工序(主項)編號是工程項 目給定的,由裝置內分配給每一個工序(主項)的識別號,用兩位數字表示,如01、10等。
b、管道順序號單元
順序號為一個工序(主項)內對一種物料介質按順序排列的一個特定號碼。每一個工序對每一種物料介質,都從 01(或001)起編號,管道順序號用二(或三)位數字表示,管道號多于 999 時,管道順序號用四位數字表示。
c、系列號單元
在一個工序(主項)中存在完全相同系統(指各系統的設備、儀表、管道、閥門和管件完全相同)時,這些相同的重復的管道號,除了系列號單元以外,管道號的其他各部分、各單元都完全相同。
系列號采用一位大寫英文印刷體字母表示,通常不采用英文字母O 和I。
對于互為備用的設備、管件(如泵、過濾器、儀表、旁路等)和并列、大小相同重疊的設備(如并列換熱器等)的接管管道,不屬于采用系列號來編號的范圍。
注:① 在一個聯合工廠設計中,如果要識別裝置,管道號的第二部分可以由三個(或四個)單元組成,第一單元為裝置識別號,用二位(或三位)數字表示,如 01。第二單元為工程的工序編號,用二位數字表示,如 01。第三單元為系列號,用大寫英文印刷體字母表示,如“A "。第四單元為管道順序號,用二位(或三位)數字表示,如010。
舉例:

管道尺寸:用管道的公稱通徑表示。
a、對公制尺寸管道,如 DN100、DN150 只表示為 100、150,公制尺寸的單位“mm”省略。
b、對英制尺寸管道,如焊接鋼管,亦用公稱通徑表示,如2"表示為50,單位“mm"省略。
c、管道尺寸的其他表示方法,根據工程特點和要求須經設計經理批準后使用,并表示在管道儀表流程圖首頁上。
管道等級:由三個單元組成。管道等級是由管道材料專業根據工程特點和要求編制的,并提供給工藝系統專業進行標注。管道等級三個單元的組成,內容如下所述:
a、第一單元:管道的公稱壓力等級代號,用大寫英文印刷體字母表示。
b、第二單元:順序號用阿拉伯數字表示,從1開始。
c、第三單元:管道材料類別,用大寫英文印刷體字母表示。
注:② 管道等級有幾個單元組成,各單元的內容、含義和表示方法按管道材料專業編制的管道等級規定表示。
隔熱、保溫、防火和隔聲代號,用規定的一位(或二位)大寫英文印刷體字母表示,其代號字母見《管道儀表流程圖隔熱、保溫、防火和隔聲代號》XHG 20559.6一93)。
如果管道沒有隔熱、保溫、防火和隔聲要求,則管道號中省略本部分。


一、無裝置識別號
1、無系列號單元

2、有系列號

二、有裝置識別號
1、無系列號

2、有系列號

注:在工程中采用某一種管道編號的方法,需要以一個典型示例表示在管道儀表流程圖的首頁上,并說明各部分、各單元的含義。


一、管道儀表流程圖上的管道是按工序(主項)、介質為基準編號的,每一種介質類別的管道,在每個工序中,都是從 01(或 001)起編,按管道在工序中的順序依次編號。
二、在滿足設計、訂貨、施工、操作、事故處理和檢修要求,不致產生混亂和錯誤前提下,所編的管道號數量應盡可能少。
三、 一個裝置中的各個工序,所采用的管道編號方法應該是一樣的,不同的裝置(或由于設計單位不同)可以采用不同的管道的編號方法。
四、管道編號后,由于工程設計進展,如果要取消一些管道,其管道號通常不再采用,在新增加的管道上,不使用這些取消的編號。


一、工序內
1、工序內工藝管道的編號順序應按實際情況而定,通常是從管道儀表流程圖第一張圖起 ,按圖序和流程順序對每一種工藝介質管道逐根進行編號。每張流程圖上,隨流程圖所示的從設備到設備向前流動的進程編號。如蒸餾塔回流系統的編號順序應是從塔頂到冷凝器、收集槽(回流槽)、回流泵再返回塔。
2、管道從開始設備至其次設備順序編號,管道號中的工程的工序編號單元(如圖5-1中“12")與管道開始處設備的設備位號中工序編號“12”一致。兩設備之間的管道,不管規格或尺寸改變與否,只編一個管道號,若中間有分支到其它設備或管道的管道,則另編管道號,如圖 5-1所示(作為舉例,以下各圖管道號均只表示基本管道號)。

5-1 工藝管道的編號和標注(一)
3、管道順序號應保留到一臺設備或在 另一條管道的連接點終止,如圖5-2所示。

5-2 工藝管道的編號和標注(二)
4、設備的放空(包括安全閥的入口管和出口排空管道)、放凈,只要有管道,均要編管道號。
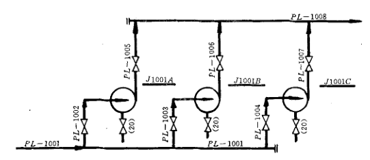
5、由設備或管道到同一位號加下標區分(非系列)的多個設備的連接管道以及多個同位號設備到另外設備或匯集管道的各分管道要編管道號。
1)有總管(即管端有封頭)時,總管編一管道號,到每臺設備的分管道,則另編號,如圖5-3要求。

5-3 工藝管道的編號和標注(三)
2)無總管時,以到同一位號最遠的一臺設備的管道編一個管道號,其余的則另編管道號。如圖 5-4 所示。

5-4工藝管道的編號和標注(四)
6、由一臺設備(或管道)到另一設備的管道,有以下幾種情況:
1)一臺設備的不同管口到另一臺設備的不同管口(或一根管道),每根管都要編管道號,如圖5-5 所示。

5-5 設備上接管口管道的編號和標注(一)
2)一 臺設備的不同管口(或一根管道)到另一臺設備的相同管口,每根管都要編管道號,如圖5-6所示。

5-6 設備上接管口管道的編號和標注(二)
3)一 臺設備(或管道)的一個管口到另一臺設備上的多個管口,分下述兩種情況:
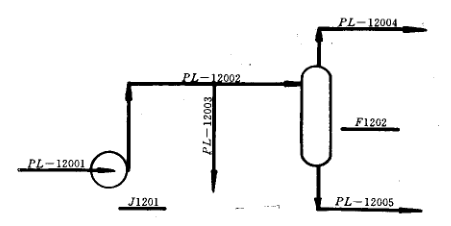
(1)接受設舍的多個接管口用途是相同的,正常時只用一個管口,其余管口為備用口、切換口,只編一個管道號,如塔的進料口,見圖5-7所示。

5-7 設備上接管口管道的編號和標注(三)
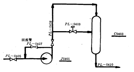
(2)接受設備上有相同用途的多個接受管口(同時使用)和有不同用途的多個接管口,則每根管道要編管道號。如圖5-8 中的PL-0408和PL-0409.

5-8 設備上接管口管道的編號和標注(四)
7、連通兩根管道的旁路管(不是控制閥的旁路)、安全閥進出口的旁路管以及設備、管道的回流管均要編管道號,如圖5-8泵的回流管。
8、帶系列號的工藝管道號類似規定,只是每個相同系列中相同的管道,除了系列號的改變外,管道號的其余部分和單元完全相同。對分配到該系列前的總管道和各系列支管的匯集總管,不管總管上有無封頭(如法蘭蓋) ,均需對總管編一個不屬于系列的管道號,然后再按系列給各支管、連接管按系列編號,如圖5-9所示。

5-9 帶系列號的工藝管道的編號和標注
二、工序間
1、由一個工序的設備或管道到另一工序(或幾個工序)的設備或管道的工藝管道按起點工序編號,并一直有效到另一工序的設備或管道連接終止,如圖5-10所示。

5-10 工序間工藝管道的編號和標注(無裝置界區進出總管)
2、由裝置界區來或送出界區外的工藝管道的編號(一般情況),如圖 5-11所示。

5-11 從裝置界區進出的工序間工藝總(主)管的編號和標注(一)
1)來 自界區的總(主)管以及總(主)管再分配到各工序的工藝管道 ,總(主)管按照最遠的一個工序編號。由總(主)管分配到其他單一工序,凡為該工序服務,就用該工序號編管道號 ,而為兩個或更多工序服務的分管仍按最遠工序編號。
2)由工序送出裝置界區的分管,按送出工序編號。分管的聯管則按最遠一個工序編號,匯集兩個或更多工序的送出分管,仍按最遠工序編號。
3)由裝置界區來或送出界區外的工藝管道的編號和標注(特殊情況)以下情況的由界區來(去)工藝管道總〔主)管,應該給總(主)管一個工程的“工序”編號。
(1)管端有封頭(或法蘭蓋),如圖 5-12所示的從裝置界區進出工序間總(主)管工程的“工序”編號為“7",

5-12 從裝置界區進出的工序間工藝總(主)管的編號和標注(二)
(2)總(主)管上有設備、儀表和需編號的特殊管(閥)件,如圖5-13所示。

5-13 從裝置界區進出的工序間工藝總(主)管的編號和標注(三)
(3)工程需要工序間的管道作為一個“工序”進行工程設計,如圖5-13所 。
在圖5-13中,裝置界區進出的工序間工藝總(主)管的“工序”的編號為"7",該總(主)管道上的設備、儀表、特殊管件位號的工程“工序”編號為"7"。編號“7"的管道與其他工序“1","2","3”編號的管道的分界,可在其他工序內(或外)的總(主)管上任意(特定)位置,并須用分界符號在 PI 圖上注明管道編號的分界。


一、在工藝管道儀表流程圖上的輔助物料、公用物料管道只表示一小段連接管,編號方法如下:
1、按照每一個工序的管道儀表流程圖圖序、流程順序,對每一種類輔助物料、公用物料介質逐根進行編號,管道順序號從01(或001)起編。
2、管道編號中第二部分,工程的工序(主項)編號為該公用物料的發生工序的工序號。
3、每臺設備(及備臺)或工藝物料管上的輔助物料、公用物料連接管均需編一個管道號,這些輔助物料、公用物料管彼此通常不相連接,只表示一小段連接管 ,如圖6-1中的高壓蒸汽和氮氣管。

6-1 輔助物料、公用物料管道的編號和標注
4、帶系列號的管道號類似上述規定,但不表示出輔助物料、公用物料的分配和匯集總管,如圖6-2所示。

6-2 輔助物料、公用物料帶系列號的管道的編號和標注
二、輔助物料、公用物料管道儀表流程圖(公用物料發生圖)上管道的編號有兩種情況。
1、公用物料發生圖上表示某主類輔助物料、主公用物料管道的管道號的編號和標注方法同前面所述的規定。
2、公用物料發生圖上表示的其他類(非主類)輔助物料和公用物料管道號的編號和標注方法同上述規定。
三、裝置界區內有工藝工序和公用物料發生工序(或接受工序),按以下兩種情況編管道號。
1、工序間輔助物料、公用物料管道的去或來自兩個或更多的工序,均應按輔助物料、公用物料的發生工序(或接受工序)的工序編號(如圖6-1中的“工序”編號“07")。不論它們是在裝置工程設計范圍內,還是用戶在裝置界區內提供的。
2、從公用物料發生(或接受)工序進出的輔助物料、公用物料管道(亦稱輔助物料、公用物料總管,如圖6-3中的管道CW S一7001和CWR—7001),到最后一個工藝工序(如圖6-3中的3工序、5工序),須在進工藝工序前編一個不同于總(主)管“工序”號的管道號(如CWS一3001, CWR一3001, CWS一5001和CWR一5001),如圖6-3所示。

6-3 裝置內工序間有公用物料系統工序的管道的編號和標注(裝置界區無進出總管)
上述兩種情況,編號“7"的管道與其他工藝工序的管道號分界,可在其他工藝工序內(或外)總(主)管的任意(特定)位置,并用分界符號在 P I 圖上注明管道編號的分界。
四、由裝置界區外來或送出界區的輔助物料、公用物料管道(總管)的編號,可參照6-3規定,即給定進出界區的輔助物料、公用物料總(主)管一個工程的“工序”編號來進行管道編號,在總(主)管上的設備、儀表和特殊管件編號亦以這工程的“工序”編號(如圖 6-3的“7”)來編號。


工廠中裝置與裝置間的管道(亦稱裝置間連接外管)的編號和標注見圖7-1所示。裝置外管與裝置內管的管道號分界處通常在裝置界區線外1m 處。

7-1 工廠中裝置與裝置間的管道(亦稱裝置間連接外管)的編號和標注
一、外管的管道號的編號方法與裝置內管道號的編號方法相同。
二、裝置與裝置間的管道包括工藝物料管道和輔助物料、公用物料管道,其管道號的第二部分工程的工序(主項)編號 ,應以一個“裝置”編號(或相適應名稱的編號)代替,這個編號要不同于被連接裝置的編號,如圖7-2中的編號“502"。由二位(或三位)數字組成,由工廠工程設計經理確定。
舉例:
工藝物料管 PL- 502001-100-B2A-H
輔助物料、公用物料管 CWS-502001-300-AIA
(本平臺"常州精密鋼管博客網"的部分圖文來自網絡轉載,轉載目的在于傳遞更多技術信息。我們尊重原創,版權歸原作者所有,若未能找到作者和出處望請諒解,敬請聯系主編微信號:steel_tube,進行刪除或付稿費,多謝!)

