直線度,平面度,圓度,圓柱度,輪廓度,平行度,垂直度......等14項形位公差詳細講解 !!!
國際上的通用語言,除了“英語”,還有一個小伙伴們可能不知道的,那就是“形位公差”,它是貫穿制造業設計·生產·品質管理等部門的國際通用“語言”。
“理想與現實的差距”——
只要是我們制作的產品,無論用多精密的設備,無論做多大的努力,其尺寸和形狀也是無法完全符合理論數值要求的。
那么,做到多少才能與理論形狀、位置相近呢?我們把該相近程度用數值來表示,這就是形狀公差和位置公差,簡稱“形位公差”。根據GB/T1182-2008,形位公差已改為新術語幾何公差。
形位公差的標準化——
隨著全球化的發展,生產領域的國際分工與協作不斷深化,然而各國之間相互聯系存在困難以及生產習慣不同,該如何解決提高生產精度、還要確保互換性來降低成本的難題呢?形位公差的國際標準亟待統一。
1950年
工業化國家向ISO組織提出統一形位公差概念及文字表示方法的“ABC提案”
1969年
ISO組織正式發布形位公差標準ISO/R1101-Ⅰ:1969《形狀和位置公差 第Ⅰ部分 概論、符號、圖樣表示法》
1978年~1980年
ISO組織推薦了形位公差檢測原理和方法;中國正式重新加入ISO組織,并于1980年頒布形狀和位置公差基本標準
1996年
ISO組織成立了專門的ISO/TC213“產品幾何技術規范(GPS)”技術委員會,負責形位公差及其圖紙符號國際統一化工作。
經過多國的長期共同努力,終于有了這國際統一化的14項形位公差符號,喏,就是下面這張表,趕緊收藏吧~

形狀公差

01 直線度 02 平面度 03 圓度 圓度,即通常所說的圓整程度,表示零件上圓的要素實際形狀與其中心保持等距的狀況。圓度公差是在同一截面上,實際圓對理想圓所允許的最大變動量。
▲圖樣示例1:在給定平面內,公差帶必須在距離為0.1mm的兩平行直線間的區域。
▲圖樣示例2:在公差值前加注記號φ、則公差帶必須在直徑0.08mm的圓柱面內的區域。
▲圖樣示例:公差帶是位于距離0.08mm的兩個平行平面之間的區域。

▲圖樣示例:公差帶必須在同一正截面上,半徑差為公差值0.03mm的兩個同心圓之間的區域。
04 圓柱度

輪廓公差

05 線輪廓度

06 面輪廓度

▲圖樣示例:公差帶是由包絡一系列直徑為0.02mm的球的兩條包絡線之間,諸球的中心理論上應位于理論正確幾何形狀的面上。
位置公差

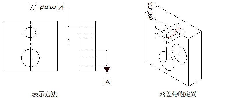
07 平行度

▲圖樣示例:如公差值前加注記號φ、則公差帶為基準平行直徑φ0.03mm的圓柱面內。
08 垂直度
垂直度,即通常所說的兩要素之間保持正交的程度,表示零件上被測要素相對于基準要素,保持正確的90°夾角狀況。垂直度公差是被測要素的實際方向,對于基準相垂直的理想方向之間所允許的最大變動量。


▲圖例說明:公差帶必須位于距離為0.08mm且垂直于基準線的兩平行平面之間。
09 傾斜度
傾斜度是表示零件上兩要素相對方向保持任意給定角度的正確狀況。傾斜度公差是被測要素的實際方向,對于基準成任意給定角度的理想方向之間所允許的最大變動量。


▲圖例說明:在公差值前加注記號φ,則公差帶必須位于直徑為0.1mm的圓柱面內。該公差帶應平行于垂直于基準A的平面B,并與基準A呈理論正確角度60°。
定位公差 10 位置度


位置度是表示零件上的點、線、面等要素,相對其理想位置的準確狀況。位置度公差是被測要素的實際位置相對于理想位置所允許的最大變動量。

▲圖例說明:公差帶前加注記號Sφ時、公差帶是直徑0.3mm的球內區域。球公差帶的中心點的位置是相對于基準A,B及C的理論正確尺寸。
11 同軸(同心)度

12 對稱度
對稱度是表示零件上兩對稱中心要素保持在同一中心平面內的狀態。對稱度公差是實際要素的對稱中心面(或中心線、軸線)對理想對稱平面所允許的變動量。

▲圖例說明:公差帶是距離為0.08mm、且相對于基準中心平面或中心線對稱配置的兩平行平面之間或直線之間的區域。
跳動公差 13 圓跳動



▲圖例說明1:公差帶是垂直于任一測量平面內,半徑差為0.1mm,且圓心在同一基準軸線上的兩同心圓之間的區域。

▲圖例說明2:公差帶是在與基準同軸的任一半徑位置的測量圓柱面上距離為0.1mm的兩個圓之間的區域。
14 全跳動
全跳動是指零件繞基準軸線作連續旋轉時,沿整個被測表面上的跳動量。全跳動公差是被測實際要素繞基準軸線連續的旋轉,同時指示器沿其理想輪廓相對移動時所允許的最大跳動量。




